Product Summary
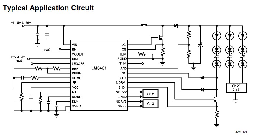
The LM3431AMH is a 3-channel linear current controller combined with a boost switching controller ideal for driving LED backlight panels in space critical applications. The LM3431AMH drives 3 external NPN transistors or MOSFETs to deliver high accuracy constant current to 3 LED strings. Output current is adjustable to drive strings in excess of 200 mA. The LM3431AMH can be expanded to drive as many as 6 LED strings. The boost controller drives an external NFET switch for stepup regulation from input voltages between 5V and 36V. The LM3431AMH features LED cathode feedback to minimize regulator headroom and optimize efficiency.
Parametrics
LM3431AMH absolute maximum ratings: (1)Storage Temperature: -65℃ to +150℃; (2)Soldering Dwell Time, Temp. Infrared: 20sec, 240℃; Vapor Phase: 75sec, 219℃; (3)ESD Rating. Human Body Model: 2 kV; VIN: 4.5V to 36V; (4)Junction Temp. Range: -40℃ to +125℃; (5)Thermal Resistance (θJA). TSSOP-28 (0.5W): 32℃/W; (6)Power Dissipation: TSSOP-28 3.1W.
Features
LM3431AMH features: (1)Integrated Boost controller; (2)5V-36V input voltage range; (3)Adjustable switching frequency up to 1MHz; (4)LED short and open protection; (5)Selectable fault shutdown or automatic restart; (6)Programmable fault delay; (7)Programmable cycle by cycle current limit; (8)Output Over Voltage Protection; (9)No Audible Noise; (10)Enable pin; (11)LED Over-Temperature shutdown input; (12)Thermal Shutdown; (13)TSSOP-28 exposed pad package.
Diagrams

| Image | Part No | Mfg | Description | ![]() |
Pricing (USD) |
Quantity | ||||||||||||
|---|---|---|---|---|---|---|---|---|---|---|---|---|---|---|---|---|---|---|
![]() |
![]() LM3431AMH/NOPB |
![]() National Semiconductor (TI) |
![]() LED Lighting Drivers |
![]() Data Sheet |
![]()
|
|
||||||||||||
![]() |
![]() LM3431AMHX/NOPB |
![]() National Semiconductor (TI) |
![]() LED Lighting Drivers |
![]() Data Sheet |
![]()
|
|
||||||||||||
(China (Mainland))









