Product Summary
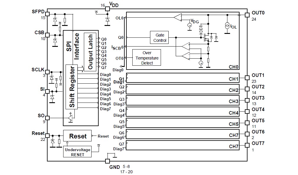
The L9823 is a Octal Low-Side Driver Circuit, dedicated for automotive applications. Output voltage clamping is provided for flyback current recirculation, when inductive loads are driven. Chip Select and cascadable Serial 8-bit Interface for outputs control and diagnostic data transfer.
Parametrics
L9823 absolute maximum ratings: (1)VDD Supply voltage: -0.3 to 7 V; (2)VIN Voltage(CSB, SCLK, SI, Reset, SFPD): -0.3 to 7; (3)VSDO Voltage (SO): -0.3 to VDD+0.3 V; (4)IIN Protection diodes current 1) T ≤ 1ms: -20 to 20 mA; (5)VOUT Cont Continuous output voltage: -1.5 to 45 V; (6)VOUT Cont Continuous output current: -3 to IOUT LIM A; (7)IOUT PEAK Output current: -10 to 2 A; (8)EOUTclamp Output clamp energy: 50 mJ; (9)IOUT LIM Output current (self limit): 2 A.
Features
L9823 features: (1)Outputs current capability up to 0.5A; (2)Cascadable spi control for outputs; (3)Reset function with reset signal or undervoltage at VDD; (4)Programmable intrinsic output voltage clamping at typ. 50v for inductive switching; (5)Overcurrent shutdown with latchoff for every write cycle (SFPD = Low); (6)Independent thermal shutdown of outputs (soa protection); (7)Output status data available on the spi using 8-bit i/o protocol up to 3.0Mhz; (8)Low standby current with reset = low (TYP 35μA @ VDD).
Diagrams

| Image | Part No | Mfg | Description | ![]() |
Pricing (USD) |
Quantity | ||||||||||
|---|---|---|---|---|---|---|---|---|---|---|---|---|---|---|---|---|
![]() |
![]() L9823 |
![]() STMicroelectronics |
![]() Power Switch ICs - Power Distribution Octal Low Side |
![]() Data Sheet |
![]() Negotiable |
|
||||||||||
![]() |
![]() L9823013TR |
![]() STMicroelectronics |
![]() Power Switch ICs - Power Distribution Octal Lowside Driver Bulb, Resistive |
![]() Data Sheet |
![]()
|
|
||||||||||
(China (Mainland))









