Product Summary
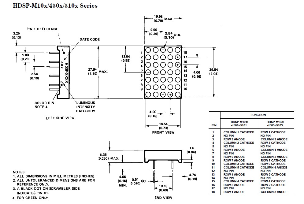
The HDSP-M101 is a Matrix Alphanumeric Display with 17.3/26.5 mm character height. The large 5 X 7 dot matrix alphanumeric display HDSP-M101 consists of 26.5 mm (1.04 inch) and 17.3 mm (0.68 inch) character height packages. The HDSP-M101 has excellent viewability; the 26.5 mm character can be read at up to 18 meters (12 meters for the 0.68 inch part).
Parametrics
HDSP-M101 absolute maximum ratings: (1)Average Power per Dot(TA = 25℃): 75 mW; (2)Peak Forward Current per Dot(TA = 25℃): 125 mA; (3)Average Forward Current per Dot(TA = 25℃): 23 mA; (4)Operating Temperature Range: –20℃ to +85℃; (5)Storage Temperature Range: –40℃ to +85℃.
Features
HDSP-M101 features: (1)Multiple Colors Available; (2)Large Character Height; (3)5 X 7 Dot Matrix Font; (4)Viewable Up to 18 Meters(26.5 mm Display); (5)X-Y Stackable; (6)Ideal for Graphics Panels; (7)Available in Common Row Anode and Common Row Cathode Configuration; (8)AlGaAs Displays Suitable for Low Power or Bright Ambients.
Diagrams

![]() |
![]() HDSP-0760 |
![]() Avago Technologies |
![]() LED Displays & Accessories Red 626nm Hex and Numeric |
![]() Data Sheet |
![]()
|
|
||||||||||||
![]() |
![]() HDSP-0761 |
![]() Avago Technologies |
![]() LED Displays & Accessories Red 626nm Hex and Numeric |
![]() Data Sheet |
![]()
|
|
||||||||||||
![]() |
![]() HDSP-0762 |
![]() Avago Technologies |
![]() LED Displays & Accessories Red 626nm Hex and Numeric |
![]() Data Sheet |
![]()
|
|
||||||||||||
![]() |
![]() HDSP-0763 |
![]() Avago Technologies |
![]() LED Displays & Accessories Red 626nm Hex and Numeric |
![]() Data Sheet |
![]()
|
|
||||||||||||
![]() |
![]() HDSP-076x |
![]() Other |
![]() |
![]() Data Sheet |
![]() Negotiable |
|
||||||||||||
![]() |
![]() HDSP-0770 |
![]() Avago Technologies |
![]() LED Displays & Accessories Red 626nm Hex and Numeric |
![]() Data Sheet |
![]()
|
|
||||||||||||
(China (Mainland))









