Product Summary
The AT49BV642D-70TU is a 2.7-volt 64-megabit Flash memory organized as 4,194,304 words of 16 bits each. The memory of the AT49BV642D-70TU is divided into 135 sectors for erase operations. The device can be read or reprogrammed off a single 2.7V power supply, making it ideally suited for in-system programming.
Parametrics
AT49BV642D-70TU absolute maximum ratings: (1)Storage Temperature: -65℃ to +150℃; (2)All Input Voltages Except VPP(including NC Pins) with Respect to Ground: -0.6V to +6.25V; (3)VPP Input Voltage with Respect to Ground: 0V to 10.0V; (4)All Output Voltages with Respect to Ground: -0.6V to VCCQ + 0.6V; (5)Temperature under Bias: -55℃ to +125℃.
Features
AT49BV642D-70TU features: (1)Single Voltage Operation Read/Write: 2.65V - 3.6V; (2)2.7V - 3.6V Read/Write; (3)Access Time 70 ns; (4)Sector Erase Architecture; (5)Fast Word Program Time 10μs; (6)Typical Sector Erase Time: 32K Word Sectors 500 ms; 4K Word Sectors 100 ms; (7)Suspend/Resume Feature for Erase and Program; (8)Data Polling and Toggle Bit for End of Program Detection; (9)VPP Pin for Write Protection and Accelerated Program Operations; (10)RESET Input for Device Initialization; (11)Sector Lockdown Support.
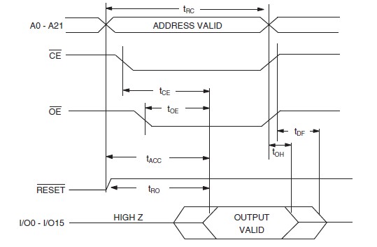
Diagrams

| Image | Part No | Mfg | Description | ![]() |
Pricing (USD) |
Quantity | ||||
|---|---|---|---|---|---|---|---|---|---|---|
![]() |
![]() AT49BV642D-70TU |
![]() Atmel |
![]() Flash 64M FLASH-64M 2.7V BTM BOOT |
![]() Data Sheet |
![]() Negotiable |
|
||||
![]() |
![]() AT49BV642D-70TU SL383 |
![]() |
![]() IC FLASH 64MBIT 70NS 48TSOP |
![]() Data Sheet |
![]() Negotiable |
|
||||
(China (Mainland))










