Product Summary
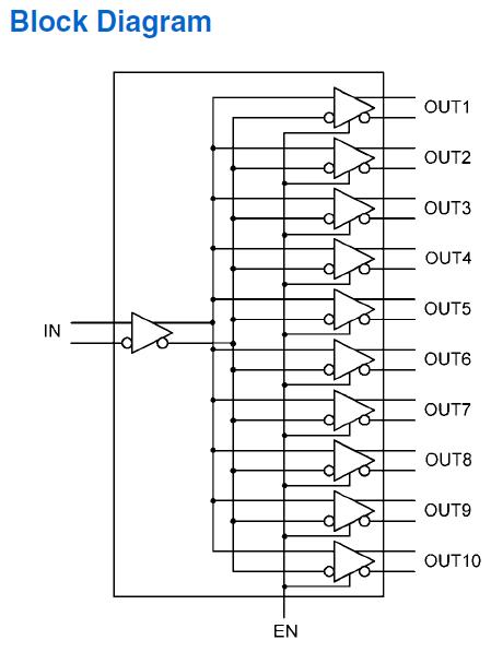
The DS90LV110TMTC is a 1 to 10 data/clock distributor utilizing LVDS (Low Voltage Differential Signaling) technology for low power, high speed operation. Data paths are fully differential from input to output for low noise generation and low pulse width distortion. The design allows connection of 1 input to all 10 outputs. LVDS I/O enable high speed data transmission for point-to-point interconnects. The DS90LV110TMTC can be used as a high speed differential 1 to 10 signal distribution / fanout replacing multi-drop bus applications for higher speed links with improved signal quality. It can also be used for clock distribution up to 400MHz.
Parametrics
DS90LV110TMTC absolute maximum ratings: (1)Supply Voltage (VDD-VSS): -0.3V to +4V; (2)LVCMOS/LVTTL Input Voltage (EN): -0.3V to (VCC + 0.3V); (3)LVDS Receiver Input Voltage (IN+, IN-): -0.3V to +4V; (4)LVDS Driver Output Voltage (OUT+, OUT-): -0.3V to +4V; (5)Junction Temperature: +150℃; (6)Storage Temperature Range: -65℃ to +150℃; (7)Lead Temperature (Soldering, 4 sec.): +260℃.
Features
DS90LV110TMTC features: (1)Low jitter 800 Mbps fully differential data path; (2)145 ps (typ) of pk-pk jitter with PRBS = 223.1 data pattern at 800 Mbps; (3)Single +3.3 V Supply; (4)Less than 413 mW (typ) total power dissipation; (5)Balanced output impedance; (6)Output channel-to-channel skew is 35ps (typ); (7)Differential output voltage (VOD) is 320mV (typ) with 100Ω termination load; (8)LVDS receiver inputs accept LVPECL signals; (9)Fast propagation delay of 2.8 ns (typ).
Diagrams

| Image | Part No | Mfg | Description | ![]() |
Pricing (USD) |
Quantity | ||||||||||||
|---|---|---|---|---|---|---|---|---|---|---|---|---|---|---|---|---|---|---|
![]() |
![]() DS90LV110TMTC |
![]() National Semiconductor (TI) |
![]() LVDS Interface IC |
![]() Data Sheet |
![]()
|
|
||||||||||||
![]() |
![]() DS90LV110TMTC/NOPB |
![]() National Semiconductor (TI) |
![]() LVDS Interface IC 1 TO 10 LVDS DATA/ CLOCK DISTRIBUTOR |
![]() Data Sheet |
![]()
|
|
||||||||||||
![]() |
![]() DS90LV110TMTCX/NOPB |
![]() National Semiconductor (TI) |
![]() LVDS Interface IC |
![]() Data Sheet |
![]()
|
|
||||||||||||
![]() |
![]() DS90LV110TMTCX |
![]() National Semiconductor (TI) |
![]() LVDS Interface IC |
![]() Data Sheet |
![]()
|
|
||||||||||||
(China (Mainland))











