Product Summary
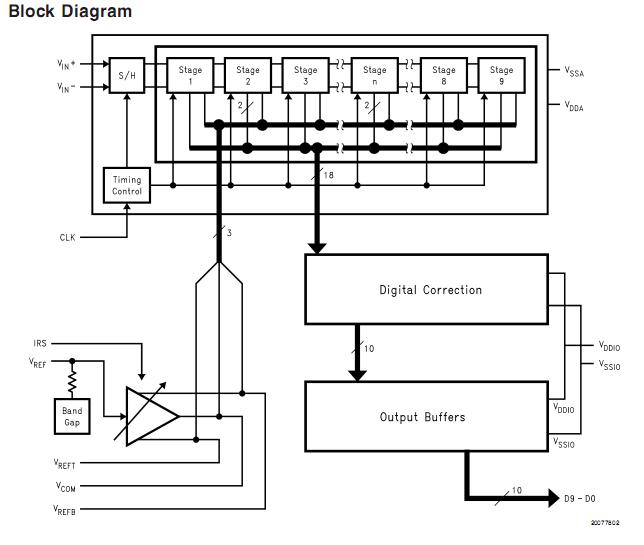
The ADC10040QCIMT is a monolithic CMOS analog-to-digital converter capable of converting analog input signals into 10-bit digital words at 40 Megasamples per second (MSPS). The ADC10040QCIMT uses a differential, pipeline architecture with digital error correction and an on-chip sample-and-hold circuit to provide a complete conversion solution, and to minimize power consumption, while providing excellent dynamic performance. The applications of the ADC10040QCIMT are Ultrasound and Imaging, Instrumentation, Cellular Based Stations/Communications Receivers, Sonar/Radar, xDSL, Wireless Local Loops, Data Acquisition Systems, DSP Front Ends.
Parametrics
ADC10040QCIMT absolute maximum ratings: (1)VDDA,VDDIO:3.9V; (2)Voltage on Any Pin to GND:-0.3V to VDDA or VDDIO +0.3V; (3)Input Current on Any Pin:±25 mA; (4)Package Input Current:±50 mA; (5)ESD Susceptibility: Human Body Model:2500V, Machine Model:250V; (6)Soldering Temperature: Infrared, 10 sec.:235℃; (7)Storage Temperature:-65℃ to +150℃.
Features
ADC10040QCIMT features: (1)Single +3.0V operation; (2)Selectable 2.0 VP-P, 1.5 VP-P, or 1.0 VP-P full-scale input swing; (3)400 MHz -3 dB input bandwidth; (4)Low power consumption; (5)Standby mode; (6)On-chip reference and sample-and-hold amplifier; (7)Offset binary or two’s complement data format; (8)Separate adjustable output driver supply to accommodate 2.5V and 3.3V logic families; (9)28-pin TSSOP package.
Diagrams

| Image | Part No | Mfg | Description | ![]() |
Pricing (USD) |
Quantity | ||||||||||||
|---|---|---|---|---|---|---|---|---|---|---|---|---|---|---|---|---|---|---|
![]() |
![]() ADC10040QCIMT |
![]() National Semiconductor (TI) |
![]() ADC (A/D Converters) |
![]() Data Sheet |
![]()
|
|
||||||||||||
![]() |
![]() ADC10040QCIMT/NOPB |
![]() National Semiconductor (TI) |
![]() ADC (A/D Converters) |
![]() Data Sheet |
![]()
|
|
||||||||||||
![]() |
![]() ADC10040QCIMTX/NOPB |
![]() National Semiconductor (TI) |
![]() ADC (A/D Converters) |
![]() Data Sheet |
![]()
|
|
||||||||||||
![]() |
![]() ADC10040QCIMTX |
![]() National Semiconductor (TI) |
![]() ADC (A/D Converters) |
![]() Data Sheet |
![]()
|
|
||||||||||||
(China (Mainland))










