Product Summary
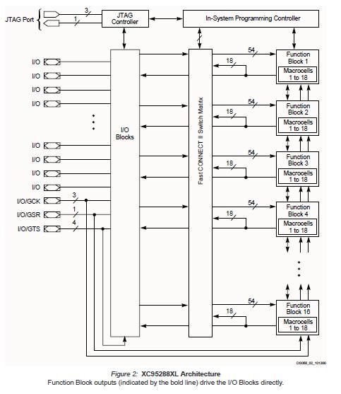
The XC95288XL-TQG144C is a 3.3V CPLD targeted for high-performance, low-voltage applications in leading-edge communications and computing systems. It is comprised of 16 54V18 Function Blocks, providing 6,400 usable gates with propagation delays of 6 ns.
Parametrics
XC95288XL-TQG144C absolute maximum ratings: (1)Vcc,Supply voltage relative to GND: –0.5 to 4.0 V; (2)VIN, Input voltage relative to GND: –0.5 to 5.5 V; (3)VTS, Voltage applied to 3-state output: –0.5 to 5.5 V; (4)TSTG, Storage temperature (ambient): –65 to +150 ℃; (5)TJ, Junction temperature: +150 ℃.
Features
XC95288XL-TQG144C features: (1)6 ns pin-to-pin logic delays; (2)System frequency up to 208 MHz; (3)288 macrocells with 6,400 usable gates; (4)Available in small footprint packages: 144-pin TQFP (117 user I/O pins), 208-pin PQFP (168 user I/O pins), 256-pin BGA (192 user I/O pins), 256-pin FBGA (192 user I/O pins), 280-pin CSP (192 user I/O pins); (5)Optimized for high-performance 3.3V systems: Low power operation, 5V tolerant I/O pins accept 5V, 3.3V, and 2.5V; (6)signals, 3.3V or 2.5V output capability, Advanced 0.35 micron feature size CMOS.
Diagrams

![]() |
![]() XC9500 |
![]() Other |
![]() |
![]() Data Sheet |
![]() Negotiable |
|
||||||||||||||||
![]() |
![]() XC9500XV |
![]() Other |
![]() |
![]() Data Sheet |
![]() Negotiable |
|
||||||||||||||||
![]() |
![]() XC9501 |
![]() Other |
![]() |
![]() Data Sheet |
![]() Negotiable |
|
||||||||||||||||
![]() |
![]() XC9502 |
![]() Other |
![]() |
![]() Data Sheet |
![]() Negotiable |
|
||||||||||||||||
![]() |
![]() XC9503 |
![]() Other |
![]() |
![]() Data Sheet |
![]() Negotiable |
|
||||||||||||||||
![]() |
![]() XC9503B093AR-G |
![]() |
![]() IC REG BUCK ADJ 1A DL 10MSOP |
![]() Data Sheet |
![]()
|
|
||||||||||||||||
(China (Mainland))









