Product Summary
The LP3962EMP-1.8 is a 1.5A Fast Ultra Low Dropout Linear Regulator. It operates from a +2.5V to +7.0V input supply. Wide range of preset output voltage options are available. The LP3962EMP-1.8 responds very fast to step changes in load which makes them suitable for low voltage microprocessor applications. The LP3962EMP-1.8 is developed on a CMOS process which allows low quiescent current operation independent of output load current. The applications of the LP3962EMP-1.8 are Microprocessor power supplies, GTL, GTL+, BTL, and SSTL bus terminators, Power supplies for DSPs, SCSI terminator, Post regulators, High efficiency linear regulators, Battery chargers, Other battery powered applications.
Parametrics
LP3962EMP-1.8 absolute maximum ratings: (1)Storage Temperature Range:-65℃ to +150℃; (2)Lead Temperature(Soldering, 5 sec.):260℃; (3)ESD Rating:2 kV; (4)Power Dissipation:Internally Limited; (5)Input Supply Voltage (Survival):-0.3V to +7.5V; (6)Shutdown Input Voltage(Survival):-0.3V to VIN+0.3V; (7)Output Voltage (Survival):-0.3V to +7.5V; (8)IOUT (Survival):Short Circuit Protected; (9)Maximum Voltage for ERROR Pin:VIN+0.3V; (10)Maximum Voltage for SENSE Pin:VOUT+0.3V.
Features
LP3962EMP-1.8 features: (1)Ultra low dropout voltage; (2)Low ground pin current; (3)Load regulation of 0.04%; (4)15μA quiescent current in shutdown mode; (5)Guaranteed output current of 1.5A DC; (6)Available in SOT-223,TO-263 and TO-220 packages; (7)Output voltage accuracy ±1.5%; (8)Error flag indicates output status; (9)Extremely low output capacitor requirements; (10)Overtemperature/overcurrent protection; (11)-40℃ to +125℃ junction temperature range.
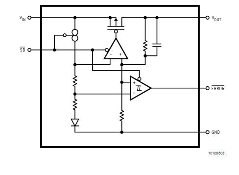
Diagrams

| Image | Part No | Mfg | Description | ![]() |
Pricing (USD) |
Quantity | ||||||||||||
|---|---|---|---|---|---|---|---|---|---|---|---|---|---|---|---|---|---|---|
![]() |
![]() LP3962EMP-1.8 |
![]() National Semiconductor (TI) |
![]() Low Dropout (LDO) Regulators |
![]() Data Sheet |
![]()
|
|
||||||||||||
![]() |
![]() LP3962EMP-1.8/NOPB |
![]() National Semiconductor (TI) |
![]() Low Dropout (LDO) Regulators |
![]() Data Sheet |
![]()
|
|
||||||||||||
(China (Mainland))










